欢迎光临 宜昌高求光电有限公司 官方网站!

Favorites| 中文版| English

Service Hotline
产品中心

成都光明

当前位置:产品展示>光学材料>成都光明

CDGM

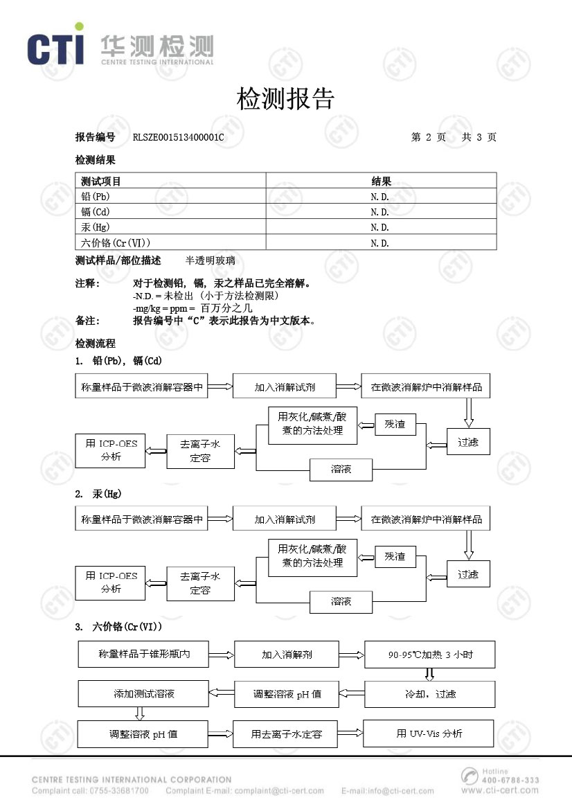
  高求光电材料来源:
40%是用成都光明材料,直接从成都光明厂家拿货。
出货有材质证明及ROHS报告。